
首頁 / 硬密封蝶閥 / D373H蝸輪對夾硬密封蝶閥
產品展示
產品詳情
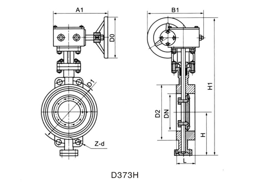
產品名稱 : D373H蝸輪傳動對夾式硬密封蝶閥
型號: D373H
口徑: 50~1200mm
材質: 鑄鋼、不銹鋼
壓力: 1.0MPa~2.5MPa
硬密封蝶閥介紹:采用精密的J形彈性密封圈和3偏心多層金屬硬密封結構。冶金,電力,石化,給排水,城市建設以及其他中等溫度低于425°C的行業。在管道中,它用于調節流量和體積,以及輸送和切斷流體。該閥采用三偏心結構。閥座和閥瓣密封面的硬度和不銹鋼不同,具有出色的耐腐蝕性,使用壽命長。該閥具有雙向密封功能,可用于軍事和郵政用途。符合國家GB/T13927-92閥門壓力測試的精度要求。
硬密封蝶閥的產品特點
1.本閥采用三偏心密封結構,閥座與蝶板幾乎無磨損,具有越觀越緊的密封功能。
2.密封圈選用不銹鋼制作,具有金屬硬密封和彈性密封的雙重優點,無論在低溫和高溫的情況下,均具有優良的密封性能,具有耐腐蝕,使用壽命長等特點。
3.驅動裝置可以多工位(旋轉90°或180°)安裝,便于用戶使用。
4.碟板密封面采用堆焊鈷基硬質合金,密封面耐磨損,使用壽命長.
5.大規格蝶板采用絎架結構,強度高,過流面積大,流阻小。
6.本閥具有雙向密封功能,安裝時不受介質流向的限制,也不受空間位置的影響,可在任何方向安裝。
D373H蝸輪傳動對夾式硬密封蝶閥主要技術參數
公稱通經DN(mm) 50~2000 公稱藥理PN(MPa) 0.6 1.0 1.6 2.5 密封試驗(MPa) 0.66 1.1 1.76 2.75 強度試驗(MPa) 0.9 1.5 2.4 3.75 適用溫度 碳鋼:-29℃~425℃ 不銹鋼:-40℃~650℃ 適用介質 水、空氣、天然氣、油品及弱腐蝕性流體 泄漏率 符合GB/T13927-92標準 驅動方式 蝸輪傳動、電動、氣動、液動



上一條:D673H氣動對夾式硬密封蝶閥
下一條:D973H電動對夾式硬密封蝶閥
相關信息
如果你有任何問題,你想了解的建議及產品,可以隨時聯系我們。期待您的咨詢!
聯系我們
在線留言
微信詢價